Mobile Phone
Project Objectives:-
Mobile use GSM standard (General system for mobile
communication) via which we are do calling to other GSM mobiles. This task is
going to satisfy in this project.
Our objectives are given below:
·
Interface 4-bit LCD module with ARM processor.
-
In this interfacing LCD going to operate on
4-bit mode. For that we are going to use 4 of data pin and 3 of control pin.
·
Interfacing Keypad switches with ARM processor.
-
This interface done by interfacing keypad as
simple switch. So it takes more input port as one per switch.
·
Interfacing sim-300 GSM module with ARM
processor
-
GSM interface by serial communication with
processor. As GSM supports AT commands, we are going to pass AT commands
serially with 9600 baud rate.
·
Interfacing RTC with ARM processor
-
Real Time Clock (RTC) is device working on I2C
protocol. This interface requires only 2 ports SCL and SDA.
·
Having power supply circuit for controller. And
battery charging circuit with battery level indicator.
-
This mobile phone is having sim300 GSM module
which supports AT commands. We are going to interface GSM module serially with
ARM LPC2148.
-
For giving input like, phone number dialing, we
are going to interface switches with processor. This will help to dial number
and do calling functionality. We also having interface with 20 x 4 LCD, which
gives good user interface, charging information and signal strength indication.
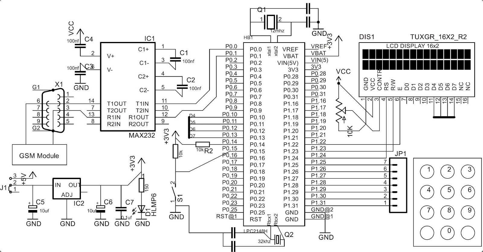
Block Diagram:-
· The mobile phone has been designed using ARM
LPC2148 which is based on ARM7TDMI-S core. In the proposed system we have used
SIM300 GSM module. The SIM300 GSM module handles all call control process, by
using AT command. The LPC2148 and SIM300 module has been interfaced using UART0
of LPC2148 and one of the serial ports on SIM300 GSM module.For display a 16*2
LCD display has been used. The LCD display has been configured in 4 bit mode.
Hardware Parts:-
LPC2148 ARM PROCESSOR
GSM MODEM
LCD DISPLAY
KEYPAD
RTC
POWER SUPPLY (USB)
DB9 CONNECTOR & MAX232
FOR SERIAL COMMUNICATION
Circuit Operation:-
Hardware
Testing:-
·
Check LCD working using control pin and get data
on display.
·
Display result of serial data transmission on
LCD.
·
Transfer data using UART0 to GSM module.
·
Use AT command for calling number.
·
Display called number on LCD.
·
Check RTC working and display result on LCD.
Hardware Experiments:-
Tasks
|
Status
|
Check LCD working using control pin and get
data on display
|
Tested OK
|
Check RTC working and display Date/Time on
LCD:-
|
Tested OK
|
Transfer data using UART0 to GSM
module.-
|
Tested OK
|
Transfer data using GSM to UART0
module.-
|
Tested OK
|
Display result of serial data transmission
on LCD
|
Tested OK
|
Use AT command for calling number
|
Tested OK
|
Display called number on LCD
|
Tested OK
|
4*4 Keypad Interface
|
Tested OK
|
Mobile Phone Receive Call Video:-
Conclusion:-
As
per the objectives of our project we have completed with the followings
1.
Sending AT
commands to GSM module through serial communication by UART0.
2.
Set up a call
using GSM module(SIM 300).
3.
Termination of
the call in process.
4.
Receive the
incoming call.
5.
Battery charging
circuit with 5v output.
Project limitation:-
1.
Delay should be precised.
2.
Call waiting
service cannot be implemented.
3.
Call duration
cannot be displayed after calling.
4.
Caller number is
not displayed.
Future
recommendation:-
·
Matrix keypad
can be modified for text messages.
·
Other
peripherals such as proximity sensor, camera can be interfaced for providing
additional features in the mobile phone.
additional features in the mobile phone.
·
4*4 matrix
keypad can be connected to mobile phone.
·
Mobile phone
can be configured for sending and receiving text messages of 180 characters .
·
Touch Based Application can be implemented.


11 comments:
can i get gsm module interace with lpc2148 codes please
Can you mail me a code for interfacing arm7 with gsm module?
sir plz send me its code i just want to check it on my kit i will be very thanks to u
Can you add me on skype ( chuckboris333 ) or give me your mail ?
Because I have EasyArm v6 devolpemnt board, and I am not good at it.
Please help me, thanks in advance
hi sir i want that code plz help me plz
cnureddynani@gmail.com
plz contact me on this mail
vishal.p.shaha@gmail.com
Sir I want code of this GSM module..
I tried alot but I am not able to fix the bug please give me this code.. plz sir.
prasadbangar.4@gmail.com
Sir , i want code for gsm and rtc interfacing with arm,
please mail me to praveen.inventeron@gmail.com
sir i need details regarding how to receive a message at any instant using interrupt
so that i can control the other peripheral attached to the controller .At any instant wen i receive message i should performe some particular task.
did u get that details?
did u get that details?
can you please mail me the code of the projet at omkar.trivedi007@gmail.com
Post a Comment