Friday, June 28, 2013

89s52 Development Board

Build It Yourself

- The AT89S52 is a low-power, high-performance CMOS 8-bit microcontroller with 8K bytes of in-system programmable Flash memory.

- The device is manufactured using Atmel’s high-density nonvolatile memory technology and is compatible with the industry-standard 80C51 instruction set and pin-out.

- The on-chip Flash allows the program memory to be reprogrammed in-system or by a conventional nonvolatile memory programmer.

- By combining a versatile 8-bit CPU with in-system programmable Flash on a monolithic chip, the Atmel AT89S52 is a powerful microcontroller which provides a highly-flexible and cost-effective solution to many embedded control applications.


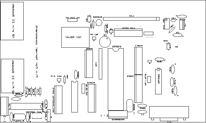
-> I also Have done Development Board layout design of AT89s52 with which you can do your practicals and build your own project of controller.

-> My circuits is having:-


- Controller port pins
- LCD pins
- 5v Power Supply
- Max232 Serial interface
- Relay Circuit
- ADC0804 circuit
- Extra space for other circuit development

->This design done on Proteus circuit Designer.

Here is the image for PCB.
1) Component side mirror image.
2) Copper side image.






You can get Proteus supported file from given link:-

Proteus Files 


- To know how to make pcb your self see link below:-

Made pcb your self


- Please Like/Comment here if you like this blog....:-)

Ask me for any dought in layout.
Have fun......;-)

Saturday, May 25, 2013

Add User Defined function in Shell

...My Shell...

I am using Ubuntu 11.04 Natty Narwhal linux version. And this blog is about 
How to add user function to our shell so that we can use our command in terminal.
  • A "shell" is software that provides an interface for users of an operating system  to access the services of a kernel.
  • The name shell originates from shells being an outer layer of interface between the user and the internals of the operating system (the kernel).
Now , I have shared one program which can use to add comment(at the starting line) in the program without open your C code.
- Its useful when you have done many programs but not added any comments in your program.
-that, what this program going to do.

 Step-01

To see what shell you have :
                      command : #echo $SHELL
To see the path from which your shell commands executable file stored :
                      command : #echo $PATH
(Notes :- Now when we type any command on terminal, than that command is having some program to do target process.  
Like  :  #cp filename.c /home
             -this command check program of cp from system, and run that program so 
              that filename.c will be copied to given path.
-Now from where it check CP programs executable file??? that path is saved in PATH environment.)
You can add your programs executable file here. in any of the path. (I suggest last path (/usr/game) as it is having lowest priority.)

 Step-02

(optional)
-This is extra step if you want to add your own path in PATH environment.
  (but its temporary path adding till you close the terminal.)
-if you want to make your own path than you first add that path in PATH environment by
 command : #export PATH=$PATH:(add your path)
As in below I have added /home/my_shell path to PATH, check export command in image..>>
-You can see that new added path by giving again
  command : #echo $PATH

 Step-03

-Add your executable file in that path.
 -Now, instead of using command for executable
                 as : #./cmnt
you can directly give command without "./"
                 as : #cmnt 

step-04

# program_01 (comment.c) 
  //***************************************************
  1 #include <stdio.h>
  2 #include <stdlib.h>
  3 #include <unistd.h>
  4

  5 // Set heading line to your code.
  6 char *heading = "\n//Commenter 1.2 by Ratnesh Zinzuwadia\n";
  7 void init_file(char *,FILE *,char *,char *);
  8 void get_comment(FILE *);
  9 void copy_file(FILE *,FILE *);
 10 void clean_file(char *);
 11
 12 int main( int argc, char *argv[])
 13 {
 14     FILE *in_file, *out_file;
 15     int c;
 16     char * s;
 17     int status;
 18     pid_t pid1;
 19
 20     if( argc == 2 )
 21     {
 22         pid1 = fork ();
 23         if(pid1 == 0)
 24         {

 25             in_file = fopen( argv[1], "r");
 26             if( in_file == NULL )
 27                 printf("Cannot open %s for reading\n", argv[1]);
 28             else
 29             {
 30                 out_file = fopen( "temp.c", "w+");
 31                 if ( out_file == NULL )
 32                     printf("Cannot open %s for writing\n", argv[2]);
 33                 else
 34                 {
 35                     //initialize first comment line
 36                     init_file(heading,out_file,argv[1],argv[2]);
 37
 38                     //get comment to add from user
 39                     get_comment(out_file);
 40                     //copy in_file to out_file
 41                     copy_file(in_file,out_file);
 42

 43                     fclose(in_file);
 44                     in_file = fopen(argv[1],"w+");
 45                     rewind(out_file);
 46                     //fclose( out_file);
 47                     //out_file = fopen ("temp.c","r");
 48                     while  ((c=getc(out_file)) != EOF )
 49                     putc( c, in_file );
 50                     fclose( out_file);
 51                     fclose( in_file);
 52                     clean_file("temp.c");
 53                     exit(5);
 54                 }
 55             }
 56         }
 57         else if(pid1 > 0)
 58         {
 59             waitpid(-1,&status,NULL);
 60             //printf("I am in parent.\n");
 61         }
 62     }
 63 //**********************************************
 64     else if(argc == 3)
 65     {
 66         pid1 = fork ();
 67         if(pid1 == 0)
 68         {
 69             in_file = fopen( argv[1], "r");
 70             if( in_file == NULL )
 71                 printf("Cannot open %s for reading\n", argv[1]);
 72             else
 73             {
 74                 out_file = fopen( argv[2], "w+");
 75                 if ( out_file == NULL )
 76                     printf("Cannot open %s for writing\n", argv[2]);
 77                 else
 78                 {
 79                     //initialize first comment line 

 80                     init_file(heading,out_file,argv[1],argv[2]);
 81                     //get comment to add from user
 82                     get_comment(out_file);
 83                     //copy in_file to out_file
 84                     copy_file(in_file,out_file);
 85                     fclose(in_file);
 86                     fclose( out_file);
 87                 }
 88             }
 89             exit(0);
 90         }
 91         else if(pid1 > 0)
 92         {
 93             waitpid(-1,&status,NULL);
 94             //printf("I am in parent.\n");
 95         }
 96
 97     }
 98     else
 99     {
100         printf("Incorrect argument,2 or 3 argument should passed\n");
101         exit(2);
102     }
103
104 exit(0);
105 }
106
107 void init_file(char *s,FILE *out_file,char *argv,char *argv2)
108 {
109     int c;
110     //printf("File copy program, copying %s to %s\n", argv,  argv2);
111     while ((c = *s++) !=  '\0')
112     putc(c,out_file);
113 }
114
115 void get_comment(FILE *out_file)
116 {
117       int c;
118     printf("Enter comment : ");
119     c = '/';
120     putc(c,out_file);
121     putc(c,out_file);
122     while ((c = getchar()) !=  '\n')
123     putc(c,out_file);
124     putc('\n',out_file);
125 }
126
127 void copy_file(FILE *in_file,FILE *out_file)
128 {
129     int c;
130     while  ((c=getc( in_file) ) != EOF )
131     putc( c, out_file );
132     //printf("File has been copied.\n");
133 }
134
135 void clean_file(char *del)
136 {
137     pid_t pid2;
138     pid2 = fork();
139     if(pid2 == 0)
140     {
141         execlp("rm","rm",del,NULL);
142         perror("File is not cleaned\n");
143         exit(3);
144     }
145     else if (pid2 > 0)
146     {
147         int status;
148         waitpid(pid2,&status,NULL);
149         //printf(">>>> %s removed\n",del);
150     }
151     else
152     {
153         fprintf(stdout,"Fork error.\n");
154     }
155 }
  //***************************************************

 SYNTEX

(1)
#cmnt filename.c
      -press enter
      -now type comment what you want to add in filename.c

(2)
#cmnt filename1.c filename2.c
     -press enter
     -now type comment in filename2.c
commented file is copied in filename2.c. (filename1.c will be unchanged.)


-Compile This program by
            command : #gcc  -Wall comment.c -o cmnt
-Copy cmnt executable file in to (/use/games OR your own path) directory.
            command : #cp cmnt /usr/games


>>>> Yeah, its done now...:-)
          you can use cmnt command to add any comment in your .c,.cpp programs.

To download file go on this link and download rar file:
 Comment.rar file
 
  ********************Comment your view and idea on this page...:-))*********************

Tuesday, March 12, 2013

My Project at ICIT (GSM interface with LPC2148)



Mobile Phone



Project Objectives:-


Mobile use GSM standard (General system for mobile communication) via which we are do calling to other GSM mobiles. This task is going to satisfy in this project.

Our objectives are given below:


·         Interface 4-bit LCD module with ARM processor.

-        In this interfacing LCD going to operate on 4-bit mode. For that we are going to use 4 of data pin and 3 of control pin.


·         Interfacing Keypad switches with ARM processor.

-        This interface done by interfacing keypad as simple switch. So it takes more input port as one per switch.


·         Interfacing sim-300 GSM module with ARM processor

-        GSM interface by serial communication with processor. As GSM supports AT commands, we are going to pass AT commands serially with 9600 baud rate.


·         Interfacing RTC with ARM processor

-        Real Time Clock (RTC) is device working on I2C protocol. This interface requires only 2 ports SCL and SDA.


·         Having power supply circuit for controller. And battery charging circuit with battery level indicator.

-        This mobile phone is having sim300 GSM module which supports AT commands. We are going to interface GSM module serially with ARM LPC2148.

-        For giving input like, phone number dialing, we are going to interface switches with processor. This will help to dial number and do calling functionality. We also having interface with 20 x 4 LCD, which gives good user interface, charging information and signal strength indication.